Quiz results
Results are calculated based on a combination of correct answers and total time. A fast team with a few mistakes may rank higher than a slower team with all answers right.
Question 1
A buck converter operates at 200 kHz switching frequency with an input voltage of 25 V and output voltage of 5 V. The inductor value is 10 µH. Buck converter peak output current is 10A and converter output capacitance is 100 µF What is the approximate peak-to-peak inductor current ripple (ΔIL)?
Efficiency of the converter (η) is 90% Choose the closest answer.
Correct answer: C – 2.2A
Question 2
Your vehicle uses two independent linear APPS sensors. The full pedal travel is calibrated as:
Sensor A: 0.55 V – 4.55 V
Sensor B: 0.95 V – 4.85 V
During operation, the ECU reads the following values :
A = 2.30 V
B = 2.80 V
Correct answer: B – This is a valid state, continue as normal
Question 3
Sensor interface circuit shows intermittent signal dropouts under load conditions. Which of the following is the most likely cause?
Correct answer: A – Insufficient decoupling capacitors on the sensor power line.
Question 4 – Deleted
Team A and team B are attending the Driverless autocross at FS Czech event. The autocross track has the following layout (all angles are 90deg and pi=3.14 and units are in meters).
Team A has a first run of 31.12s with one DOO, its second run has one OC and has a time of 34.21s. Team B finished their first run with a time of 51.23s and one DOO. Their second run was the quickest run of the day with time of 28.31s and no penalties.
Calculate the score of teams. Round the score to the nearest whole point.

Correct answer: A – Team A – 100 points; Team B – 70 points
Question 5
Which one is the lightest set of fasteners allowed to mount AIP to the FBH pictured below?
Assume identical outer shape, upper radius is single curvature all along the top side, value of pi = 3.14.

Correct answer: B – 8x steel M8 bolts grade 8.8
Question 6
During the morning DV acceleration event, your autonomous system decided to become a lawn mower rather than a race car, resulting in an off-track excursion and a front wing damaged beyond repair. Since a classic manual autocross is scheduled for the afternoon session, you must evaluate the change in the vehicle’s center of pressure and downforce.
You asked your aerodynamicist to rerun the CFD simulation without the front wing, and they delivered the results. Unfortunately, the aerodynamicist had too much flunky ball the day before and somehow managed to provide the results without a colormap or absolute values. As there is no time for correction, you must act quickly and assign the correct physical quantity to each picture.
A: Wall shear stress
B: x-wall shear stress
C: Total pressure
D: Q-criterion normalized iso surface
E: Pressure coefficient
F: y+ value
G: Turbulent intensity
H: Velocity magnitude
I: Social media show-off
J: Total pressure iso surface
Hints:
1. Some pictures may share the same physical quantity.
2. Some pictures may represent multiple physical quantities, but only one answer does not contain physical nonsense.
3. +c and −c stand for a symmetric range, for example, (−1, +1), (−10, +10), (−100, +100), etc.
4. The air flows in the X-direction; the simulation is in a straight line.
5. The boundary condition of the wheel rims is a moving reference frame (MRF).
6. The boundary condition of the wheel tyres is a moving wall.
7. Prism setup A: rear wing, side wing, and wheels (rims + tyres). Prism setup B: all other parts. Prism setups A and B are not the same.

| Answer | Picture | |||||||||||
| 1 | 2 | 3 | 4 | 5 | 6 | 7 | 8 | 9 | 10 | 11 | 12 | |
| 1) | C | B | G | A | E | E | H | G | D | J | I | A |
| 2) | E | B | C | A | H | E | C | H | D | J | I | F |
| 3) | E | A | C | B | H | E | C | H | D | J | I | F |
| 4) | E | A | G | B | C | E | H | H | J | D | I | A |
| 5) | E | B | G | A | C | E | H | H | J | D | I | F |
| 6) | C | B | G | A | H | C | H | G | D | J | I | A |
| 7) | E | A | G | B | E | C | H | G | J | D | I | F |
| 8) | Non of the above | |||||||||||
Correct answer: 5
Question 7
Which of the following laminate layups is rules compliant for side impact structure:
TW – twill 200 g/m^2, thickness 0.3 mm UD – unidirectional 100 g/m^2, thickness 0.12 mm
(number marks orientation of fibers in degrees, “|” separates layers)
Correct answer: B – TW 0/90|TW 45/-45|TW 0/90|TW 45/-45|UD 0|UD 0| CORE |UD 0|UD 0|TW 45/-45|TW 0/90
Question 8 – Deleted
You want to surprise your team captain for their birthday by playing Happy birthday on your 4-stroke, 600 ccm, 4-cylinder engine with firing order 1-3-2-4. You need a sequence of RPMs to program into your ECU.
Which of the following RPM sequences matches the beginning of the song in equal temperament?
Correct answer:C – 6300 6300 6674 6300 10000 7071
Question 9
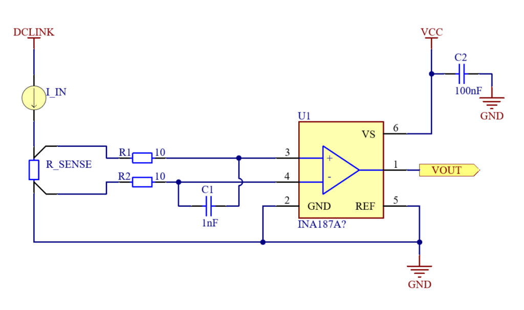
A current (I_IN) is measured using a shunt resistor (R_SENSE) and a fixed-gain current-sense amplifier (U1) connected to an ADC at the VOUT.
Which option allows the highest maximum measurable current?

Correct answers: D – VCC: 5.0 V, R_SENSE: 2.2 mΩ, U1: INA187A2
Question 10
You are building a custom LV battery pack. Which of the following cell chemistries must be enclosed in a fire-retardant casing according to the Formula Student rules?
Correct answer: B – NCA
